A. SCOPE
This specification applies piezo buzzer, FDK-420160FB-24028W130
B. SPECIFICATION

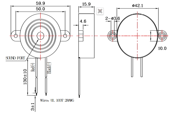
C. APPEARANCE DRAWING

D.TESTING METHOD Standard Measurement conditions Temperature:25±2℃ Humidity:45-65% Acoustic Characteristics: The oscillation frequency, current consumption and sound pressure are measured by the measuring instruments shown below

In the measuring test, buzzer is placed as follows:

E. VOLTAGE / CURRENT / SOUND PRESSURE CHARACTERISTICS

F. RELIABILITY TEST