A. Scope
This specification applies to Piezo buzzers,160025HS-03040TJ-B
B. Specifications

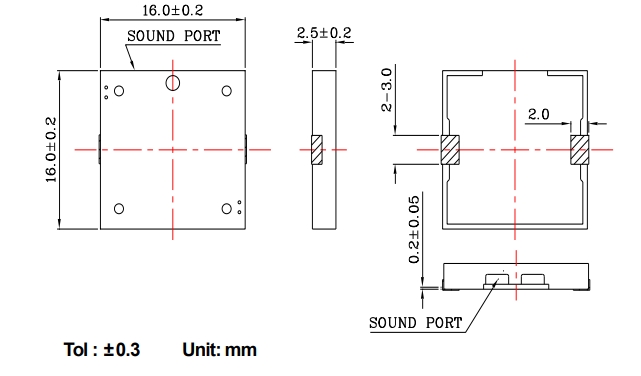
C. APPEARANCE DRAWING

D. Test method
Standard measuring condition
Temperature: 25±2℃ Humidity: 45-65%
Acoustic characteristics:
The oscillation frequency, current consumption and sound pressure are measured by the measuring instrument shown below.
In the measurement test, the buzzer is placed as follows:
E. Voltage/current/sound pressure characteristics
F. Soldering Condition
(1)Recommendable reflow soldering condition is as follows
(Reflow soldering is twice)
Note:It is requested that reflow soldering should be executed
after heat of product goes down to normal.

Heat resistant line
(Used when heat resistant reliability test is performed)
(2)Manual soldering
Manual soldering temperature 350 ºC within 5 sec.
G. RELIABILITY TEST 