A. Scope
This specification applies to Piezo buzzers,140076F-09040-3
B. Specifications

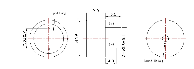
C. Exterior drawing
Tol: ±0.5 Unit: mm
D. Test method
Standard measuring condition
Temperature: 25±2℃ Humidity: 45-65%
Acoustic characteristics:
The oscillation frequency, current consumption and sound pressure are measured by the measuring instrument shown below.
In the measurement test, the buzzer is placed as follows:
E. Voltage/current/sound pressure characteristics
F.Welding conditions:
(1) Recommended reflow conditions are as follows.(Reflow is twice).
Note: Reflow is required after the product heat drops to normal.
G. Packaging Standards