A. Scope
This specification applies to Piezo buzzers,140110F-05033T
B. Specifications

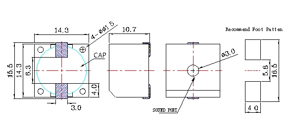
C. Exterior drawing

Tol : ± 0.3 Unit: mm
D.TESTING METHOD
Standard Measurement conditions
Temperature:25±2℃ Humidity:45-65%
Acoustic Characteristics:
The oscillation frequency, current consumption and sound pressure are measured by the
measuring instruments shown below

In the measurement test, the buzzer is placed as follows:
E. Voltage/current/sound pressure characteristics
F.Welding conditions:
(1) Recommended reflow conditions are as follows.(Reflow is twice).
Note: Reflow is required after the product heat drops to normal.
G. RELIABILITY TEST
